工程拖链产品系列-3
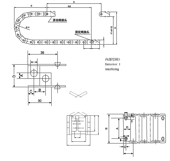
TKP025系列桥式拖链联接器规格表
|
型号 |
A |
B |
C |
D |
|
018 |
5 |
8 |
8 |
25 |
|
025 |
11 |
14 |
8 |
36 |
|
038 |
34 |
55 |
17 |
30 |
|
050 |
35 |
66 |
17 |
30 |
|
057 |
44 |
74 |
17 |
30 |
|
077 |
60 |
91 |
17 |
30 |
|
0103 |
85 |
119 |
17 |
66 |
|
型号 |
内腔I.D
高×宽 |
外径O.D
高×宽 |
回转半径R |
不支承长度M |
最长行程m |
型式 |
总高度H |
允许承重kg |
抗拉强度 |
每米节数 |
|
018 |
18×18 |
25×38 |
45 |
1.5 |
70 |
上盖可活动
|
110 |
2 |
222N |
22 |
|
025 |
18×25 |
23×30 |
45 |
1.5 |
70 |
110 |
2 |
222N |
22 |
|
038 |
25×38 |
35×54 |
68 |
1.5 |
70 |
170 |
2 |
222N |
22 |
|
050 |
25×50 |
35×65 |
40 |
1.5 |
70 |
115 |
2 |
222N |
22 |
|
057 |
25×57 |
35×72 |
100 |
1.5 |
70 |
240 |
2 |
222N |
22 |
|
077 |
25×77 |
35×92 |
76 |
1.5 |
70 |
182 |
2 |
222N |
22 |
|
0103 |
25×103 |
35×118 |
103 |
1.5 |
70 |
240 |
2 |
222N |
22 |
(1)移动速度快、允许温度-40/130 ℃,颜色黑、红、黄、白,允许承重每增加1米可加0.01kg.
(2)订货标记、型号、规格、高×宽、R、长度。