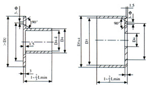
D1-保护套小端内径=dmaz+10毫米
D2-保护套小端内径
D3-大端法兰内径=D2+6-8毫米
D4-小端法兰外径=D1-1-2毫米
dmax-被保护零件的最大直径
Lmin-最小压缩长度
lmax-最大延伸长度
L-最大允许行程 |
|
LGB |
Lmax
mm |
|
D1
mm |
D2mm
参考尺寸
Ref.spec |
LGB |
lmax
mm |
Lmix
mm |
D1
mm
|
D2mm
参考尺寸
Ref.spec |
|
规格Specifications |
规格Specifications |
|
20-250-30
30-250-45 |
250
250 |
30
45 |
20
30 |
40
41 |
70-400-80
70-750-100 |
400|
750 |
80
100 |
70
70 |
95
94 |
|
30-450-50
30-600-50 |
450
660 |
50
50 |
30
30 |
50
56 |
70-1400-120
70-1800-120 |
1400
1800 |
120
120 |
70
70 |
104
120 |
|
40-300-45
40-950-80 |
300
550 |
45
50 |
40
40 |
54
67 |
75-400-80
75-600-100 |
400
600 |
80
100 |
75
75 |
89
95 |
|
40-800-80
40-950-80 |
800
950 |
80
80 |
40
40 |
65
69 |
75-900-120
75-1200-120 |
900
1200 |
120
120 |
75
75 |
97
104 |
|
45-550-50
45-700-80 |
550
700 |
50
80 |
45
45 |
73
68 |
75-1600-120
80-400-80 |
1600
400 |
110
80 |
75
80 |
115
94 |
|
45-900-100
45-1000-100 |
900
1000 |
100
100 |
45
45 |
70
73 |
80-600-120
80-900-110 |
600
900 |
120
110 |
80
80 |
97
105 |
|
50-500-50
50-700-80 |
500
700 |
50
80 |
50
50 |
72
70 |
80-1200-120
80-1400-120 |
1200
1400 |
120
120 |
80
80 |
115
120 |
|
50-900-50
45-1200-100 |
900
1200 |
100
100 |
50
50 |
77
84 |
85-400-80
85-600-100 |
400
600 |
80
100 |
85
85 |
100
105 |
|
55-350-50
55-550-80 |
350
550 |
50
80 |
55
55 |
75
72 |
85-800-125
85-1000-125 |
800
1000 |
125
125 |
85
85 |
106
126 |
|
55-800-80
55-1000-120 |
|
80
120 |
55
55 |
78
77 |
85-1200-125
90-400-100 |
1200
400 |
125
100 |
85
90 |
132
105 |
|
55-1400-110
60-400-50 |
1400
400 |
110
50 |
55
60 |
86
79 |
90-600-100
90-800-125 |
600
800 |
100
125 |
90
90 |
111
111 |
|
60-600-80
60-900-100 |
600
900 |
80
100 |
60
60 |
78
87 |
90-900-125
90-1200-125 |
900
1200 |
125
125 |
90
90 |
127
137 |
|
60-1200-120
60-1600-120 |
1200
1600 |
120
120 |
60
60 |
88
98 |
95-400-100
95-600-125 |
400
600 |
100
125 |
95
95 |
110
112 |
|
65-400-50
65-700-80 |
400
700 |
50
80 |
65
65 |
85
87 |
95-800-125
95-1000-125 |
800
1000 |
125
125 |
95
95 |
130
137 |
|
65-1000-100
65-1400-110 |
1000
1400 |
100
110 |
65
65 |
95
99 |
100-600-120
100-800-125 |
600
800 |
120
125 |
100
100 |
118
135 |
|
65-1800-110 |
1800 |
110 |
65 |
109 |
120-600-125 |
600 |
125 |
120 |
150 |
|
|
|