工程拖链产品系列-1

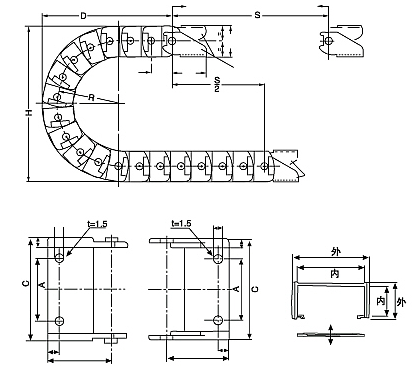
型号
钻孔距离
总宽度
025.255P
15
30
8
6
025.38P
20
40
10
6
025.50P
40
60
14
6
025.75P
60
80
17
6


(1)移动速度快,允许温度-40/+130摄氏度,颜色黑,红,黄,白,允许承重每增加1米可加0.01kg
(2)订货标记、型号、规格、高*宽、R、长度。


型号
内腔1.D
高*宽
外径0.D
高*宽
回转达
半径
R
不支承
长度
(M)
最长行程
M
型式
总高度
H
允许承重
kg
抗拉强度
每米节数
025.25
25×25
40×40
95
1.3
50
全封下
盖可打开
225
0.31
222N
30
025.38
25×38
40×55
95
1.3
50
225
0.31
222N
30
025.50
25×50
40×66
95
1.8
50
225
0.31
222N
30
025.75
25×75
40×90
95
1.8
50
225
0.31
222N
30