|
 |
JR-2型矩形金属软管结构与用途
JR-2矩形金属软管钢制拖链采用全金属结构,该产品符合JB/GQ058285企业联合标准,适应于各类金属切屑机床及切割机床防止高热铁屑对您供电、水汽线路的损伤保护劳动安全。
|
JR-2型矩形金属软管选型
1.注明规格与型号如下所示:
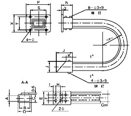
A×B×L-装配形式L-软管长度包括联接器装配型号见软管装配形式图Ⅰ~Ⅸ
2.特殊接头形式:a-c
例:25×50×1200-Ⅰ、25×50×1200-AB-Ⅲ |
|
|
|
软管装配形式图 |
|
|
JR-2型矩形金属软管接头尺寸及规格参数表 |
|
内径 |
外径 |
C |
D |
E |
F |
G |
H |
L |
J |
K |
N |
P |
S |
X |
T |
F |
R |
轴向拉力
(kg) |
重量
(kg/m) |
22×32 |
27.5×36.7 |
20 |
35 |
38 |
18 |
25 |
10 |
23 |
45 |
20 |
40 |
75 |
60 |
55 |
38 |
5.5 |
60 |
35 |
1.3 |
25×50 |
31.5×54.5 |
30 |
55 |
58 |
30 |
35 |
10 |
33 |
60 |
25 |
50 |
90 |
75 |
60 |
45 |
5.5 |
90 |
40 |
1.75 |
35×60 |
40.1×64.4 |
40 |
65 |
69 |
40 |
45 |
10 |
44 |
70 |
30 |
50 |
100 |
80 |
70 |
52 |
5.5 |
100 |
50 |
2.1 |
38×73 |
43.7×77.8 |
43 |
78 |
82 |
50 |
55 |
10 |
47 |
75 |
35 |
50 |
105 |
85 |
82 |
62 |
6.5 |
110 |
60 |
2.36 |
40×80 |
45.4×84.7 |
45 |
85 |
89 |
50 |
65 |
20 |
49 |
90 |
40 |
55 |
120 |
100 |
90 |
68 |
8.5 |
120 |
70 |
2.5 |
52×102 |
57×5×107.8 |
57 |
107 |
113 |
65 |
80 |
20 |
63 |
105 |
45 |
60 |
140 |
120 |
100 |
80 |
8.5 |
140 |
75 |
2.85 |
60×120 |
67×5×127.7 |
68 |
128 |
131 |
90 |
90 |
20 |
71 |
135 |
45 |
70 |
170 |
146 |
110 |
84 |
9 |
180 |
80 |
3.15 |
60×130 |
65.1×134.4 |
68 |
138 |
141 |
95 |
100 |
20 |
71 |
140 |
50 |
75 |
180 |
150 |
120 |
90 |
9 |
180 |
80 |
3.25 |
72×162 |
78.4×168.2 |
86 |
180 |
184 |
120 |
120 |
20 |
82 |
150 |
60 |
80 |
210 |
180 |
130 |
100 |
9 |
210 |
80 |
4.5 |
|
|
| |
| |
|